公司简介 公司新闻 综合资讯 产品展示 产品目录 客户反馈 联系我们 电子邮局
  主要产品为管式反应器、静态混合器、动态混合设备、传热反应设备、过滤设备、消声设备、阻火设备等

管式反应器
混合器
管道过滤器
自清洗过滤器
空气过滤器
灭菌过滤器
滤件系列
精细过滤器
粉体输送设备
粉体混合设备
液体搅拌设备
消声器
特种小型设备
排水器
高效换热器
纸浆漂白专用设备
除污器(滤水器)
喷射器
纤维除雾器

 
 
SQ蒸汽分水器
产品特性
型蒸汽分水器是用在工艺管道上用来分离蒸汽中水滴的特种管道附件。凡需要除掉蒸汽中水滴的地方,在其人口前的管道上,应设置蒸汽分水器。如:进装置的蒸汽主管上、石油化工装置内的饱和蒸汽在并入相应管网前,蒸汽进入汽轮机之前,应设置蒸汽分水器。
我公司生产的蒸汽分水器参照《石油化工装置工艺管道安装设计手册》第二篇管道器材上的要求定型制造,设计压力为1.3MPa,设计温度为300℃,其分离面积已按蒸汽接管尺寸予以考虑,使用时可直接根据蒸汽管径选用。


产品规格
规格型号
(施工图图号)
蒸汽入口a
蒸汽出口b
排气口c
排水口d
DNmm
PNMPa
DNmm
PNMPa
DNmm
PNMPa
DNmm
PNMPa
SQ-50(S5-1-1)
50
1.57
50
1.57
Rc3/4
15.68
20
1.57
SQ-80(S5-1-2)
80
80
SQ-100(S5-1-3)
100
100
SQ-150(S5-1-4)
150
150
25
SQ-200(S5-1-5)
200
200
SQ-250(S5-1-6)
250
250
SQ-300(S5-1-7)
300
300
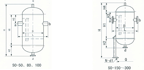
外 形 尺 寸
D
H
H1
H2
H3
H4
Q
n-d1
SQ-50(S5-1-1)
159
712
300
215
100
SQ-80(S5-1-2)
273
896
400
258
120
SQ-100(S5-1-3)
377
1046
500
284
150
SQ-150(S5-1-4)
500
1758
650
308
180
290
464
3-F20
SQ-200(S5-1-5)
700
1990
750
375
250
355
688
3-F20
SQ-250(S5-1-6)
800
2040
750
400
270
380
788
3-F20
SQ-300(S5-1-7)
1000
2292
900
452
300
430
986
3-F24

订货说明

1、本系列设备已按蒸汽管尺寸考虑了相应的分离面积,用户直接根据蒸汽管径选用。

2、本系列设备接管法兰按HG20592—97标准,也可提供GB、SH、J6、ANSI、JIS等标准管法兰,但订货时,用户必须注明。

  3、本系列设备材质为碳钢,用户如选用不锈钢等材料,订货时应注明。

南通沃尔驰石化工程有限公司 地址:启东市汇龙镇中央河中路691号 邮编:226200 http://www.jsworlds.com E-mail:13862978163@126.com
电话:0513-83325673 传真:0513-83119878 手机: 13862978163 管式反应器