公司简介 公司新闻 综合资讯 产品展示 产品目录 客户反馈 联系我们 电子邮局
  主要产品为管式反应器、静态混合器、动态混合设备、传热反应设备、过滤设备、消声设备、阻火设备等

管式反应器
混合器
管道过滤器
自清洗过滤器
空气过滤器
灭菌过滤器
滤件系列
精细过滤器
粉体输送设备
粉体混合设备
液体搅拌设备
消声器
特种小型设备
排水器
高效换热器
纸浆漂白专用设备
除污器(滤水器)
喷射器
纤维除雾器

 
Y型过滤器

产品概述

过滤器是除去液体中少量固体颗粒的小型设备,可保护压缩机、泵、仪表和其它设备的正常工作,当流体进入置有一定规格滤网的滤筒后,其杂质被阻挡,而清洁的滤液则由过滤器出口排出,当需要清洗时,只要将可拆卸的滤筒取出,处理后重新装入即可,因此,使用维护方便。本公司生产的过滤器具有结构紧凑、过滤能力大、压损小、适用范围广、维护方便、价格低廉等优点,其主要适用的物料有:化工、石油化工生产中弱腐蚀性物料,如:水、油品、氨、烃类等。化工生产中的腐蚀性物料,如:烧碱、纯碱、浓稀硫酸、碳酸、醛酸等。制冷中的低温物料,如:液甲烷、液氨、液氧和各种冷剂。食品、制药生产中有卫生要求的物料,如:啤酒、饮料、乳制品、糖浆等。

型号标注

本公司生产的管道过滤器,主要有:1、Y型过滤器  2、T型过滤器  3、篮式过滤器 4、临时过滤器  5、气体过滤器。    其型号标注如下:

1、Y型过滤器
(1)Y
型铸造螺纹连接式(PFYI-R)、承插焊接式(PFYI-SW)(DNl550PN5.0Mpa)
PFYI-R
PFYISW

型号
YI-R
型号
YI-SW
DN
D
L
H
N
DN
D
L
H
N
15
Rc1/2
100
74
Rc1/4
15
21.8/18.5
100
74
Rc1/4
20
Rc3/4
110
88
20
27.4/25.5
110
88
25
Rc1
130
103
25
34.2/32.5
130
103
32
Rc1 1/4
160
110
32
42.9/38.5
160
110
40
Rc1 1/2
180
132
40
48.8/45.6
180
132
50
Rc2
200
153
Rc3/8
50
61.3/58
200
153
Rc3/8


(2)Y型铸造同径法兰连接式(PFYI—F型)(DNl5—250,PN≤5.0MPa)

DN
L
H
N
15
140
120
Rc1/4
20
140
120
25
140
120
32
170
160
Rc3/8
40
270
160
50
270
180
65
290
190
80
360
250
Rc3/4
100
410
280
125
480
330
150
520
360
200
660
450
M20×1.5
250
870
670


(3)Y型铸造异径法兰连接式(PFYDI一F型)、异径对焊连接式(PYFDI—W型)(DN40×32-250×200,PN≤5.OMPa)

PFYDI-F,PYFDI-W型

DN1×DN2
YDI-F , L
YDI-W , L
H
N
40×32
250
210
160
Rc1/4
50×40
270
240
190
Rc3/8
80×50
320
310
250
80×65
360
310
260
Rc3/4
100×65
410
370
280
100×80
410
370
280
150×100
520
490
360
200×100
660
600
450
M20×1.5
200×150
660
600
450
250×200
870
800
670


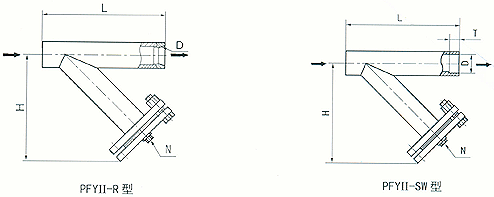
(4)Y型焊接锥管螺纹式(PFYII-R型)、承插焊式(PFYII-SW型)  (DN15—40,PN≤5.OMPa)
    
PFYII-R,PFYII-SW型

DN
L
N
H
YII-R型
YII-SW型
D
D
T
15
130
Rc3/8
169
Rc1/2
21.8/18.5
10
20
130
179
Rc3/4
27.4/25.5
13
25
140
182
Rc1
34.2/32.5
13
32
160
209
Rc11/4
42.9/38.5
13
40
170
217
Rc11/2
48.8/45.6
13


(5)Y型焊接法兰连接式(PFYII-F型)(DNl5—400、PN≤5.OMpa) PFYH-F型

DN
L
H
N
15
260
180
20
270
190
Rc1/4
25
270
190
32
280
230
Rc1/4
40
280
230
50
290
245
65
320
280
80
350
315
Rc3/8
100
425
360
125
480
390
150
540
460
Rc3/4
200
700
540
250
800
660
300
950
750
M20×1.5
350
1050
845
400
1250
920


(6)Y型带夹套焊制法兰连接式(PFYJII-F型)  (DN20~200,PN≤5.OMPa)  PFYJII—F型

DN
L
H
进出口a,b
蒸汽压力
N
20
370
235
G1/2
≤0.6MPa
Rc1/4
25
370
235
32
390
275
40
390
285
G3/4
50
420
295
Rc3/8
65
450
330
80
500
370
100
575
415
125
650
450
150
700
525
DN25
Rc3/4
200
890
610


(7)Y型异径法兰连接式(PFYDIII一F—A,PFYDII—F—B,PFYDII—F—C型)(PN≤10.OMPa)
(8)Y型焊制异径对焊接式(PFYDII—W—A,PFYDII-W—B,PFYDII—W—C型)(PN≤10.OMPa)

PFYDⅡ—F—A,8,C,PFYDⅡ—W——A,B,C型

DN1×DN2
H
D
YDII-F-A,B,C型L
YDII-W-A,B,C 型L
PN≤2.0
PN≤5.0
PN≤10.0
50×40
230
40
320
332
337
190
65×40
240
50
320
332
337
190
65×50
240
50
320
332
338
190
80×40
240
50
320
335
340
190
80×50
280
65
340
355
360
200
80×65
280
65
340
355
360
200
100×50
280
65
400
415
440
260
100×65
310
80
425
440
460
280
100×80
310
80
425
445
460
280
125×65
310
80
415
455
470
280
125×80
350
100
465
485
505
300
125×100
350
100
470
490
520
300
150×80
350
100
490
510
535
330
150×100
350
100
500
520
555
335
150×125
400
125
545
565
600
360
200×100
400
125
570
590
630
390
200×125
400
150
580
600
640
390
200×150
450
150
615
635
675
425
250×125
450
200
645
670
725
455
250×150
450
200
645
670
725
455
250×200
530
200
730
755
810
525
300×150
530
200
780
800
850
575
300×200
530
200
800
825
870
585
300×250
670
250
870
900
960
655
350×200
670
250
860
890
950
655
350×250
670
250
860
890
950
655
350×300
750
300
960
990
1040
720
400×250
750
300
1080
1110
1190
850
400×300
750
350
1100
1140
1190
860
400×350
850
350
1180
1220
1270
925

南通沃尔驰石化工程有限公司 地址:启东市汇龙镇中央河中路691号 邮编:226200 http://www.jsworlds.com E-mail:13862978163@126.com
电话:0513-83325673 传真:0513-83119878 手机: 13862978163 管式反应器