公司简介 公司新闻 综合资讯 产品展示 产品目录 客户反馈 联系我们 电子邮局
  主要产品为管式反应器、静态混合器、动态混合设备、传热反应设备、过滤设备、消声设备、阻火设备等

管式反应器
混合器
管道过滤器
自清洗过滤器
空气过滤器
灭菌过滤器
滤件系列
精细过滤器
粉体输送设备
粉体混合设备
液体搅拌设备
消声器
特种小型设备
排水器
高效换热器
纸浆漂白专用设备
除污器(滤水器)
喷射器
纤维除雾器

 
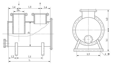
PW型煤气管道水封器
1、产品用途
本产品设在煤气清洗 设施快速水封切断阀的下方,用于去除煤气中的冷凝水。
2、结构特点
2.1产品由水平管(管径D)和两根垂直短管组成“U”形水封,水平管两端用钢板封堵;水平管底部的支座,可与钢支架安装固定。
2.2本产品水平管端部设有由盲板密封的排污口;用户可根据需要换上相应口径的闸阀或球阀进行排污。
2.3开始使用本产品时,先将出口管端打开灌水至溢出为止,然后密封。
2.4产品结构如下图
3、产品主要尺寸、重量见下表
型号
DN
D
L
L1
L2
L3
L4
L5
4-Φ
h1
h2
W(kg)
PW30-60
100
300
600
400
100
350
125
300
18
330
300
88.0
PW35-65
125
350
650
400
125
300
175
320
18
330
300
107.0
PW40-80
150
350
800
530
135
400
200
300
20
350
350
143.0
PW40-80Ⅱ
125/150
400
830
530
150
300
110
300
20
350
350
150.0
PW40-90Ⅱ
2-65
400
900
600
150
600
150
370
20
350
350
136.0
PW60-90
200
600
900
500
200
450
225
700
22
500
450
255.0
PW60-100
300
600
1000
600
200
500
250
700
22
500
500
302.0
PW60-115
300
600
1150
730
210
550
300
700
22
500
500
308.0
PW60-125Ⅱ
150/200
600
1250
750
250
650
300
700
22
500
500
290.0
PW70-100
250
700
1000
600
200
500
250
500
22
520
530
325.0
说明:①Ⅱ型为双管式(即二支进气管)
②垂直管的进口法兰按JB/T81-94,PN=1.6MPa选用。用户如需非本表所列规格的煤气管道水封器,本厂可代为设计和制造。
 
南通沃尔驰石化工程有限公司 地址:启东市汇龙镇中央河中路691号 邮编:226200 http://www.jsworlds.com E-mail:13862978163@126.com
电话:0513-83325673 传真:0513-83119878 手机: 13862978163 管式反应器