公司简介 公司新闻 综合资讯 产品展示 产品目录 客户反馈 联系我们 电子邮局
  主要产品为管式反应器、静态混合器、动态混合设备、传热反应设备、过滤设备、消声设备、阻火设备等

管式反应器
混合器
管道过滤器
自清洗过滤器
空气过滤器
灭菌过滤器
滤件系列
精细过滤器
粉体输送设备
粉体混合设备
液体搅拌设备
消声器
特种小型设备
排水器
高效换热器
纸浆漂白专用设备
除污器(滤水器)
喷射器
纤维除雾器

 
MAPB、1PGB型系列煤气冷凝水排水器(干式)
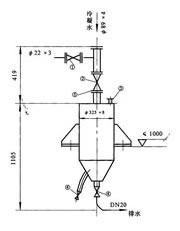
(一)MAPB-Ⅰ型干式排水器
1、本排水器适用于煤气加压机后高压焦炉煤气管道压力≤0.1MPa.
2、当人工排水时,①-④阀全部关闭,带防毒面具或背风向,打开阀⑤见水基本排尽立即关闭阀⑤,同时打开阀①、阀③。
3、当与管道一起正常投运时,仅开阀①和阀③,其余阀皆关闭。
4、当检修或吹扫时,关闭阀①阀②-⑤,从②阀接蒸汽或氮气置换。
5、煤气冷凝水接管法兰为JB81-59 PN1.0 DN50
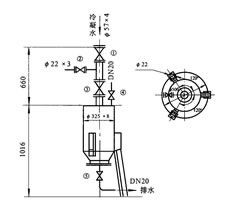
(二)MAPB-Ⅱ型干式排水器
1、本排水器适用于计算机压力0.9MPa脱硫脱奈高压焦炉煤气管道。
2、当人工排水时,①-③阀全部关闭,带防毒面具或背风向,打开阀④见水基本排尽,立即关闭阀④,同时打开阀①、阀③。
3、当干式排水器与管道一起正常投运时,仅开阀①和阀③,其余阀皆关闭。
4、当检修或吹扫时,关闭阀①或在阀后堵盲板,从阀②接蒸汽或氮气吹除。
5、本排水器接管法兰为JB81-59、PN1.6 DN50。
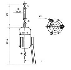
(三)1PGXB型干式悬挂式排水器
1、本排水器适用于南方地区,管径较小,排水量较少的煤气管道上,管道压力≤0.9MPa。若在寒冷地区,排水器应采取保温措施,悬挂高度不超过1m。
2、冷凝水排放操作步骤:
a、缓慢打开阀门①,如有冷凝水排出,则迅速关闭阀门①。
b、关闭阀门②。
c、打开底阀门④,(如底部阀门堵塞,则打开侧面阀门④),把水放到专用的筒内(冷凝水不必放尽)。
d、冷凝水排完后,严密关闭阀门④,再完全打开阀门②。
3、当排水器检测时,应先闭阀门②,打开管堵③,插上盲板⑤,放掉冷凝水,即可检修。
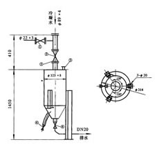
(四)1PGXB型干式落地式排水器
本设备除安装方式与1PGXB型不同外,其余使用方式与1PGXB型相同。
 
南通沃尔驰石化工程有限公司 地址:启东市汇龙镇中央河中路691号 邮编:226200 http://www.jsworlds.com E-mail:13862978163@126.com
电话:0513-83325673 传真:0513-83119878 手机: 13862978163 管式反应器